| توافر الحالة: | |
|---|---|
| الكمية: | |
SE7
XZWD
8483409000
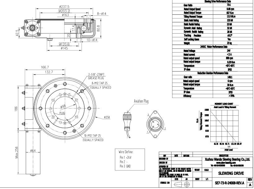
محرك الدوران عبارة عن علبة تروس يمكنها تحمل أحمال شعاعية ومحورية بأمان ، بالإضافة إلى نقل عزم الدوران للتدوير. يمكن أن يكون الدوران في محور واحد ، أو في محاور متعددة معًا. يتم تصنيع محركات الأقراص المنعزلة عن طريق تصنيع التروس ، والمحامل ، والأختام ، والإسكان ، والمحرك وغيرها من المكونات المساعدة وتجميعها في علبة تروس نهائية.
بالنسبة لنظام تتبع الطاقة الشمسية أحادية المحور الأفقي ، سيقوم العمود الرئيسي للوحة الشمسية بضبط الزاوية لتتبع زاوية الانحراف بدقة. يتم تطبيق هذا النوع من محرك السباق فقط لمنطقة خطوط العرض المنخفضة.
يشتمل محرك المنحدرات الحديثة عالية الجودة على بنية تصاعد صوتي وحمل كبير وحركة دورانية وضوابط طاقة لتسهيل الحركة المثالية. أثناء التشغيل ، يحول محرك الأقراص الحركة المحورية (القوة التي تمارس على محور) إلى عزم دوران شعاعي/دوار ، مما يتيح دوران أحمال أكبر بدقة أكبر ، مع تمكين تضخيم عزم الدوران.
محرك الدوران عبارة عن علبة تروس يمكنها تحمل أحمال شعاعية ومحورية بأمان ، بالإضافة إلى نقل عزم الدوران للتدوير. يمكن أن يكون الدوران في محور واحد ، أو في محاور متعددة معًا. يتم تصنيع محركات الأقراص المنعزلة عن طريق تصنيع التروس ، والمحامل ، والأختام ، والإسكان ، والمحرك وغيرها من المكونات المساعدة وتجميعها في علبة تروس نهائية.
بالنسبة لنظام تتبع الطاقة الشمسية أحادية المحور الأفقي ، سيقوم العمود الرئيسي للوحة الشمسية بضبط الزاوية لتتبع زاوية الانحراف بدقة. يتم تطبيق هذا النوع من محرك السباق فقط لمنطقة خطوط العرض المنخفضة.
يشتمل محرك المنحدرات الحديثة عالية الجودة على بنية تصاعد صوتي وحمل كبير وحركة دورانية وضوابط طاقة لتسهيل الحركة المثالية. أثناء التشغيل ، يحول محرك الأقراص الحركة المحورية (القوة التي تمارس على محور) إلى عزم دوران شعاعي/دوار ، مما يتيح دوران أحمال أكبر بدقة أكبر ، مع تمكين تضخيم عزم الدوران.
الصفحة الرئيسية | معلومات عنا | منتجات | أخبار | الوضعية | الدعم | اتصل بنا
