تصفح الكمية:0 الكاتب:روبي تشانغ نشر الوقت: 2018-03-22 المنشأ:محرر الموقع
لتحديد ما إذا كانمحمل الدوران الدائري مناسب للتطبيق ، يتم تطبيق عامل الخدمة. ارجع إلى الجدول أدناه للحصول على دليل لعامل الخدمة لتطبيقه على طلبك. منحنيات تصنيف الحمل المبينة في هذا الكتالوج تقريبية وتمثل عامل خدمة تطبيق 1.00. لتحديد معدل الحمل المطلوب ، اضرب عامل الخدمة المطبق على الأحمال المطبقة على المحمل ، وقارن الأحمال الناتجة بمنحنيات تصنيف الحمل.
فئة من | اعتبارات نموذجية | أمثلة التطبيق | الحد الأدنى |
ضوء | تحميل محددة جيدا | شنت الاطارات الخفيفة واجب البناء | 1.00 |
تحميل أقل بكثير من القدرات | ضوء مؤشر الجدول واجب | 1.00 | |
دوران بطيء ، العلامة & lt ؛ 10 ٪ من الوقت ومتقطعة | مناور الصناعية الخفيفة أو الروبوت | 1.00 | |
تعمل اليد الخفيفة الآلية | 1.00 | ||
الأجهزة الطبية الخفيفة | 1.00 | ||
المنصات الهوائية الخفيفة | 1.00 | ||
محكمات وضع اللحام | 1.00 | ||
علامات الدورية ، يعرض | 1.00 | ||
متوسط | تحميل محددة جيدا | المسار الخيالة بناء واجب الخفيفة | 1.10 |
التحميل بالقرب أو أقل من القدرات | بناء ساحة الخردة | 1.25 | |
دوران بطيء ، العلامة & lt ؛ 30 ٪ من الوقت ومتقطعة | مناور الصناعية المتوسطة واجب أو الروبوت | 1.25 | |
الناقلون | 1.10 | ||
الجداول الدوارة | 1.25 | ||
Capstans والبوابات | 1.10 | ||
معالجة مياه الصرف الصحي | 1.10 | ||
HEAVY | تحميل غير محدد جيدا | معدات مناولة الغابات | 1.50 |
التحميل بعد قدرة الماكينة يمكن أن يحدث | الجداول مؤشر الثقيلة و الأقراص الدوارة | 1.50 | |
يمكن أن يحدث تحميل صدمة | حفارات | 1.50 | |
دوران متقطع ، ما يصل إلى 100 ٪ من الوقت | |||
خاص | تحميل غير محدد جيدا | الطاقة البديلة (الرياح ، الطاقة المائية ، إلخ) | يحدد لاحقا |
دوران مستمر | تطبيق في الخارج | يحدد لاحقا | |
دوران عالي السرعة | ركوب تسلية | يحدد لاحقا | |
الأحمال الثقيلة ، صدمة ، تأثير | تطبيقات مطحنة الصلب | يحدد لاحقا | |
عالية الدقة ، وتحديد المواقع | الروبوتات الدقيقة | يحدد لاحقا |
إذا كنت بحاجة إلى أي مساعدة في تحديد عامل خدمة قابل للتطبيق ، أو إذا كنت ترغب في الحصول على منحنى تقييم الحمل بشكل أكثر تفصيلاً (مستحسن إذا كان عامل الخدمة لديك يعدّل الأحمال المطبقة بالقرب من منحنيات تصنيف الحمل الموضحة في هذا الكتالوج أو بعده) ، فيرجى الاتصال بـ Engineering للمساعدة. يرجى ملاحظة أن مصمم المعدات مسؤول عن تحديد عامل الخدمة الصحيح ، والذي يتم التحقق منه غالبًا عن طريق الاختبار.
"تطبيق نموذجي" لمحامل الدوران الدائري سوف يحمل الشروط المذكورة أدناه. يجب إيلاء اعتبار خاص لتحمل الاختيار والميزات كلما كانت شروط التطبيق تختلف عن تلك التي تعتبر "نموذجية". شروط التطبيق النموذجية هذه هي:
المحور الرأسي للدوران. أساسا ، شنت تحمل "شقة".
لضغط الدفع والأحمال لحظة كونها سائدة مقارنة تحميل التوتر.
تحميل شعاعي يقتصر على أقل من 10 ٪ من الحمل التوجه.
بالنسبة للمحامل ذات صف واحد ، يجب ألا يتجاوز الدوران المتقطع (غير مستمر) سرعة خط الملعب البالغة 500 قدم / دقيقة.
درجة حرارة التشغيل بين -40ºF إلى + 140ºF.
ل تركيب هندسة السطح وإجراءات التثبيت لضمان الاستدارة والتسطيح من كلا العرقين. مثال على ذلك هو تطبيق حمل محوري الاتجاه مع تشديد البراغي باستخدام طريقة نمط النجمة المتناوبة.
يتم توفير فحص دوري لبراغي التثبيت للتحقق من التوتر المناسب.
يتم توفير تزييت الدوري ل.
محامل الدوران الدائري تم تصميمها لاستيعاب الأحمال الكبيرة ذات الاتجاه الشعاعي واللحوي كما هو موضح أدناه:

يتم تحقيق ذلك في معظم الحالات من خلال هندسة حلبة سباق الاتصال الفريدة المكونة من أربع نقاط ، والتي تشبه في مفهومها محامل X-Type Thin Section. يسمح هذا للمحمل الواحد باستيعاب سيناريوهات التحميل الثلاثة المذكورة أعلاه ، إما بشكل فردي أو مزيج منها.
تُستخدم محامل الدوران الدائري بشكل شائع عندما يكون الدوران بطيئًا ، و / أو متذبذبًا ، و / أو متقطعًا. للحصول على حسابات الحد الأقصى للسرعة ، يرجى الاتصال بشركة Silverthin Engineering.
لا يتم توفير محامل الدوران الدائري عادة مع تحمل القطر. تتطلب بعض تطبيقات حلقة الدوران درجة أعلى من الدقة. للحصول على الدعم الهندسي والتصميم على التطبيقات الخاصة ، يرجى الاتصال بالهندسة.
غالبًا ما يتم استخدام محامل الدوران الدائري في الداخل وفي الهواء الطلق حيث يكون التعرض للرطوبة والتلوث كبيرًا. درجات الحرارة العادية تتراوح بين -40 درجة فهرنهايت إلى + 140 درجة فهرنهايت (-40 درجة مئوية إلى + 60 درجة مئوية) هي المعيار. تتوفر حلقات الدوران المصممة للعمل في بيئات أكثر قسوة من Wanda ، اتصل بمهندس Wanda في وقت مبكر من عملية التصميم الخاصة بك لتحديد أفضل حل محتمل لنظام البيئات القاسية.
كما ذكرنا سابقًا ، من الأفضل تركيب المحامل في "ضغط" كما هو موضح أدناه. هذا يضمن أن الحمل يتم بواسطة الكرات ، والتي يتم تمثيلها في منحنى الحمل المقدم. قدرة تثبيت التوتر أقل بكثير ، حيث تصبح قوة البراغي الاعتبار الرئيسي للسعة.

تحتاج أسطح التثبيت إلى تشكيلها بدقة من أجل الوظيفة المناسبة للمحمل. حيث لا يمكن استيعاب أنماط الترباس القياسية ، اتصل بشركة Silverthin Engineering للحصول على خيارات بديلة. يجب النظر في تصاعد التوتر أو الضغط. في حالة التوتر ، تصبح قوة BOLT هي الاعتبار المحدد للحمل ، ولم يعد منحنى الحمل مطبقًا ، ويجب وضع اعتبارات خاصة. انظر إرشادات إضافية أدناه.
بشكل عام ، فإن هذه القاعدة من الإبهام توفر السلامة الهيكلية المناسبة.
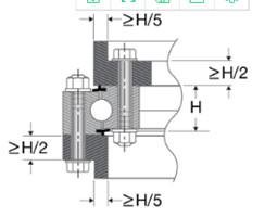
التسطيح لسطح تركيب المحمل أمر بالغ الأهمية لتحقيق الأداء الأمثل. يتم تركيب هياكل التركيب بشكل متكرر أو العمل بطريقة لإثارة الضغوط في الهيكل. يجب التخفيف من هذه الضغوط ، وبعد ذلك يجب تشكيل سطح الحامل المسطح. يجب اعتبار التسطيح:
الاتجاه المحيطي (δr): يوضح الشكل أدناه مقدار الانحراف المسطح المسموح به في الاتجاه المحيطي للمحامل الكروية ذات أربع نقاط. يجب عدم تجاوز هذه الكمية من التسطيح في فترة تقل عن 90 درجة ، ولا تزيد عن مرة واحدة في مدى لا يزيد عن 180 درجة.
الطبق المسموح به أو الانحراف في الاتجاه الشعاعي (δp): بالنسبة إلى تصميمات الكرات التماسية ذات النقاط الأربع ، يمكن تقريب هذه الكمية من الطبق المسموح باستخدام الصيغة:
δp ≈ 0.001 ∗ Dw ∗ P
أين:
P | = | قاتمة شعاعية للوجه هيكل التركيب (في) |
جاف | = | قطر عنصر المتداول (في) |

لاحظ أنه إذا كان التطبيق يتطلب دقة أكبر أو عزم دوران منخفض ، فقد يكون من الضروري تقليل قيم δr و δp. بالنسبة للمحامل الدوارة ، مقدار التسطيح المسموح به هو حوالي 2/3 من ذلك لحجم مماثلأربع نقاط الاتصال اضعا الكرة.

الشحوم هو أكثر زيوت التشحيم شيوعًا المستخدمة في محامل الدوران الدائري وتطبيقات التروس. تزييت منتظم من خلال تجهيزات الشحوم المقدمة أو ثقوب الشحوم مطلوب للتشغيل السليم على حلقات الدوران القياسية. للحصول على خيارات تزييت خاصة ، اتصل بـ Wanda
يمكن تقدير لحظة الاحتكاك لحاملة الدوران باستخدام الصيغة المذكورة أدناه. تفترض القيم الناتجة أن المحمل مركب وفقًا للإرشادات الموضحة في هذا الكتالوج. لا ينطبق هذا التقدير إلا عند تطبيق الحمل على المحمل ، ولا يعكس عزم بدء التشغيل في حالة التفريغ. كما لا يعتبر عزم الاحتكاك الناتج عن مواد التشحيم والأختام ووزن المكونات. ومع ذلك ، يوفر هذا نقطة انطلاق ، ويمكن إجراء تعديلات إضافية في التجميع لاستيعاب عزم الدوران الإضافي مع خبرة إضافية.
Mf = μ ∗ (4.4M + Fa Dpw + 2.2 Fr Dpw) / 2
أين:
MF | = | تحمل بدء عزم الدوران تحت الحمل (قدم رطل) |
μ | = | معامل الاحتكاك (0.006 عادة) |
M | = | تحميل لحظة (قدم إبس) |
Fa | = | الحمل المحوري (Ibs) |
الاب | = | حمولة شعاعي (Ibs) |
موانئ دبي العالمية | = | تحمل قطر الملعب (قدم) |
يُقترح دائمًا اختيار البراغي بمشورة ومساعدة مورد أجهزة التثبيت. يمكن أن تختلف جودة الترباس وإجراءات المعالجة المسبقة والصيانة على نطاق واسع.
يحتوي ترتيب التثبيت الأمثل على دائرة ملولبة في كل من الأجناس الداخلية والخارجية مع مثبتات متساوية المسافات. ينتج عن ذلك ترتيب تثبيت أكثر تناسقًا ، مما يحقق أفضل أداء بين المحامل والمثبتات. هذا غير ممكن دائمًا بسبب ترتيبات هيكل التركيب ، وقد يتم تبديل الثقوب وفقًا لذلك. في هذه الحالات ، يوصى بإجراء اختبار لتحديد أحمال الترباس الفعلية ، والتحقق من صحة تكوين المشترك وإجراء التجميع.
كنقطة انطلاق لتحديد الحمل التقريبي على أثقل الترباس تحميل ، يمكن استخدام الصيغة التالية. يرجى ملاحظة أن Silverthin ™ لا تقدم أي ضمان ، صريحًا أو ضمنيًا ، بخصوص كفاية البراغي. يوصى بشدة بإجراء الاختبار لتحديد الحمل الفعلي ، لأن هذه هي الطريقة الموثوقة الوحيدة للتأكد.
RB = | 12 ∗ M ∗ r | ± | Fa |
قبل الميلاد | ن |
أين:
RB | = | الحمل الكلي على أثقل الترباس تحميل (إبس) |
M | = | تحميل لحظة (قدم إبس) |
ص | = | عامل الصلابة. استخدام 3 للمحامل وهياكل دعم متوسط الصلابة. |
Fa | = | الحمل المحوري (رطل) إذا كانت Fa في حالة توتر ، تكون العلامة هي + إذا كانت Fa قيد الضغط ، تكون العلامة - |
قبل الميلاد | = | قطر دائرة الترباس (في) |
ن | = | إجمالي عدد البراغي الموزعة بالتساوي |
سادس | = | عامل بولت السلامة. الحد الأدنى الموصى به من القيمة = 3. انظر الصيغة أدناه. |
سادس = | تحميل الترباس والدليل على التقييم |
RB |
الترباس القطر (في) | تحميل والدليل (رطل) |
1/2 | 17000 |
5/8 | 27100 |
3/4 | 40100 |
7/8 | 55400 |
1 | 72700 |
1 - 1/8 | 91600 |
1 - 1/4 | 116300 |
1 - 1/2 | 168600 |
1. استخدم مسامير عالية القوة لرأس مسدس مع مؤشرات ترابط خشنة وفقًا لمعايير SAE J429 ، أو الصف 8 أو ASTM A490 / A490M أو ISO 898-1 ، وشد الصف 10.9 إلى 70٪ من قوة الإنتاجية.
2. استخدم المكسرات الخيطية ذات الرأس السداسي عند الاقتضاء وفقًا لـ SAE J995 أو Grade 8 أو ASTM A563 أو Grade DH أو ISO 898-2 ، Class 10.
3. من أجل شد البراغي الأمثل ، يجب أن تكون نسبة المسافة من أسفل رأس الترباس إلى الخيط الأول من الارتباط 3.5 أو أكبر. الاختبار مطلوب للتحقق من الصحة.
4. يجب أن يكون لكل مسامير التثبيت في حلقة معينة طول مشابك متساوي.
5. يجب أن تكون المسافة بين رأس الترباس وخيوط الترباس مساوية على الأقل لقطر جسم المسمار.
6. يجب أن يكون طول خطوبة المسامير الملولبة في هيكل التزاوج الصلب 1.25 مرة على الأقل قطر القطر.
7. يوصى باختبارات مقاعد البدلاء للتحقق من أن طريقة شد البراغي تحقق النتائج المرجوة قبل اختبار المعدات.
عند تثبيت المحمل ، من المهم التأكد من أن المحمل مستدير قدر الإمكان. سيؤدي ذلك إلى تحسين توزيع الحمل وتعزيز التشغيل الأكثر سلاسة. يوصى بالإجراءات التالية كوسيلة مساعدة.
استخدام غسالات الصلب المسطح جولة تصلب وفقا ل ASTM F436 تحت رأس الترباس ، وكذلك الجوز. لا يُنصح باستخدام غسالات الأقفال ومركبات التأمين في الخيط.
تثبيت غسالات ، المكسرات والمسامير في تحمل ودعم هيكل وتشديد اليد. لا تشوه المحامل من أجل تثبيت البراغي. قم بتطبيق حمولة دفع مركزية متوسطة على المحمل. شد البراغي حسب مواصفات مصمم المعدات. تتمثل الطريقة الشائعة في استخدام نمط النجمة لتشديد البراغي ، التسلسلات كما هو موضح في الرسم البياني أدناه. عادة ما يتم هذا النمط في 3 خطوات عند حوالي 30٪ و 80٪ و 100٪ من عزم الدوران النهائي أو مستوى الشد المحدد بواسطة مصمم الجهاز.
يمكن أن يؤدي فقدان التوتر المناسب إلى فشل الترباس قبل الأوان وفشل المحمل والبنية وتلف المكونات والوفاة أو إصابة أي شخص في المنطقة المجاورة. تتطلب البراغي فحصًا متكررًا للتوتر المناسب ، والذي يتم تحقيقه عادة عن طريق قياس عزم الدوران للمسمار.
الصفحة الرئيسية | معلومات عنا | منتجات | أخبار | الوضعية | الدعم | اتصل بنا
