| توافر الحالة: | |
|---|---|
| الكمية: | |
WD-062.20.0744
XZWD
8482800000
تكون المحامل المنحدرة ضرورية عندما يكون في جهاز أو نظام معين ، يحتاج جزء هيكلي إلى التدوير في الاتجاه المعاكس إلى آخر على طول محور ثابت ، مع ضمان الارتباط المحوري والشعاعي بين الجزأين.
تم تصميم محمل كرة التلامس من صف واحد من صف واحد في بنية مضغوطة وأداء جيد الحمل. يمكن أن تستوعب المحامل المنحدرة أحمالًا محورية وريزرية ولحظة تتصرف أحاديًا أو مجتمعة وفي أي اتجاه.
محمل الجليد خفيف الوزن له نفس الهيكل مع العادي الحامل المنحدر ، لكن الوزن خفيف ، ويدور بمرونة.
باستخدام حلقة مغزلة الضوء على منصة العمل الجوي الصغيرة ، يمكن تدوير عملية نقل السيارة في اتجاهات مختلفة. في هذه العملية ، لا توجد ظاهرة محرجة تحدث بسبب زيادة حمل.
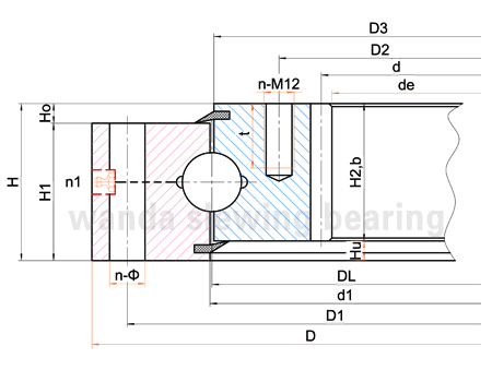
| نموذج | الأبعاد (مم) | البعد المتصاعد (مم) | |||||||
| D | دي | H | D1 | D2 | n | Φ | M | t | |
| WD-062.20.0414 | 486 | 326.5 | 56 | 460 | 375 | 24 | 13.5 | 12 | 20 |
| WD-062.20.0544 | 616 | 445.2 | 56 | 590 | 505 | 32 | 13.5 | 12 | 20 |
| WD-062.20.0644 | 716 | 547.2 | 56 | 690 | 605 | 36 | 13.5 | 12 | 20 |
| WD-062.20.0744 | 816 | 649.2 | 56 | 790 | 705 | 40 | 13.5 | 12 | 20 |
| WD-062.20.0844 | 916 | 737.6 | 56 | 890 | 805 | 40 | 13.5 | 12 | 20 |
| WD-062.20.0944 | 1016 | 841.6 | 56 | 990 | 905 | 44 | 13.5 | 12 | 20 |
| WD-062.20.1094 | 1166 | 985.6 | 56 | 1140 | 1055 | 48 | 13.5 | 12 | 20 |
إذا كان لديك أي سؤال ، فلا تتردد في الاتصال بنا.
تكون المحامل المنحدرة ضرورية عندما يكون في جهاز أو نظام معين ، يحتاج جزء هيكلي إلى التدوير في الاتجاه المعاكس إلى آخر على طول محور ثابت ، مع ضمان الارتباط المحوري والشعاعي بين الجزأين.
تم تصميم محمل كرة التلامس من صف واحد من صف واحد في بنية مضغوطة وأداء جيد الحمل. يمكن أن تستوعب المحامل المنحدرة أحمالًا محورية وريزرية ولحظة تتصرف أحاديًا أو مجتمعة وفي أي اتجاه.
محمل الجليد خفيف الوزن له نفس الهيكل مع العادي الحامل المنحدر ، لكن الوزن خفيف ، ويدور بمرونة.
باستخدام حلقة مغزلة الضوء على منصة العمل الجوي الصغيرة ، يمكن تدوير عملية نقل السيارة في اتجاهات مختلفة. في هذه العملية ، لا توجد ظاهرة محرجة تحدث بسبب زيادة حمل.
| نموذج | الأبعاد (مم) | البعد المتصاعد (مم) | |||||||
| D | دي | H | D1 | D2 | n | Φ | M | t | |
| WD-062.20.0414 | 486 | 326.5 | 56 | 460 | 375 | 24 | 13.5 | 12 | 20 |
| WD-062.20.0544 | 616 | 445.2 | 56 | 590 | 505 | 32 | 13.5 | 12 | 20 |
| WD-062.20.0644 | 716 | 547.2 | 56 | 690 | 605 | 36 | 13.5 | 12 | 20 |
| WD-062.20.0744 | 816 | 649.2 | 56 | 790 | 705 | 40 | 13.5 | 12 | 20 |
| WD-062.20.0844 | 916 | 737.6 | 56 | 890 | 805 | 40 | 13.5 | 12 | 20 |
| WD-062.20.0944 | 1016 | 841.6 | 56 | 990 | 905 | 44 | 13.5 | 12 | 20 |
| WD-062.20.1094 | 1166 | 985.6 | 56 | 1140 | 1055 | 48 | 13.5 | 12 | 20 |
إذا كان لديك أي سؤال ، فلا تتردد في الاتصال بنا.
الصفحة الرئيسية | معلومات عنا | منتجات | أخبار | الوضعية | الدعم | اتصل بنا
