تصفح الكمية:0 الكاتب:ميكي صن نشر الوقت: 2018-11-03 المنشأ:محرر الموقع
"التطبيق النموذجي " من خاتم الحمل من Xuzhou Wanda سوف يعرض الشروط المذكورة أدناه. يجب إيلاء اعتبار خاص لتحمل الاختيار والميزات كلما تختلف شروط التطبيق عن تلك التي تعتبر "نموذجية ". شروط التطبيق النموذجية هذه هي:
المحور الرأسي للدوران. في الأساس ، تم تركيب الحامل "Flat ".
· دفع الضغط والأحمال اللحظة السائدة مقارنة بتحميل التوتر.
الحمل الشعاعي يقتصر على أقل من 10 ٪ من حمل الدفع.
· بالنسبة لمحامل الصفوف الفردية ، يجب ألا يتجاوز الدوران المتقطع (غير مستمر) سرعة خط الملعب 500 قدم/دقيقة.
· درجة حرارة التشغيل بين -40 درجة فهرنهايت إلى +140 درجة فهرنهايت.
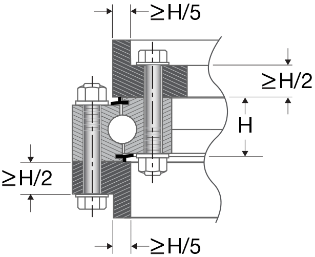
· تصاعد هندسة السطح وإجراءات التثبيت لضمان تقريب وتسوية كلا السباقين. سيكون النهج على سبيل المثال هو تطبيق تحميل الدفع المتمركز أثناء تشديد البراغي باستخدام طريقة نمط النجوم المتناوبة.
· يتم توفير فحص دوري لمسامير التثبيت للتحقق من التوتر المناسب.
يتم توفير تزييت دوري ل.
XZWD محامل الحلقة المنحدر تم تصميمها لاستيعاب أحمال شعاعي كبيرة وتوجه لحظة كما هو موضح أدناه:
يتم تحقيق ذلك في معظم الحالات من خلال هندسة Raceway Contact الفريدة التي تتسع من أربع نقاط ، والتي تشبه مفهوم محامل XZWD X-Type Thin. يتيح هذا محملًا واحدًا لاستيعاب سيناريوهات التحميل الثلاثة المذكورة أعلاه ، إما بشكل فردي أو مزيج منها.
لمزيد من المعلومات التفصيلية حول Xuzhou Wanda Slewing Bearing Ring Load Compralities استشر مخططات Curves Load.
يتم استخدام محامل حلقة الجليد XZWD الأكثر شيوعًا حيث يكون الدوران بطيئًا ، يتأرجح ، و/أو متقطع. لحسابات حد السرعة ، يرجى الاتصال بـ XZWD Engineering.
لا يتم عادة توفير محامل حلقة Slwing XZWD مع تحمل القطر. تتطلب بعض تطبيقات الحلقة المنحدرة درجة أعلى من الدقة. لدعم الهندسة والتصميم على التطبيقات الخاصة ، يرجى الاتصال بـ XZWD Engineering.
غالبًا ما يتم استخدام محامل حلقة الجليد XZWD في الداخل ، وفي الهواء الطلق حيث يكون التعرض للرطوبة والتلوث الكبير ممكنًا. تتراوح درجة الحرارة الطبيعية -40 درجة فهرنهايت إلى +140 درجة فهرنهايت (-40 درجة مئوية إلى +60 درجة مئوية) هي معيار. تتوفر حلقات المنحدرات المصممة للعمل في بيئات قاسية من XZWD ، اتصل بمهندس XZWD في وقت مبكر من عملية التصميم الخاصة بك لتحديد أفضل حل لنظام المحمل للبيئات القصوى. كما لو كنت تريد استخدامه في هذا ضبابي من رافعة، يمكنك الاتصال بنا.
كما ذكرنا سابقًا ، من الأفضل تركيب المحامل في "الضغط " كما هو موضح أدناه. هذا يضمن أن يتم حمل الحمل بواسطة الكرات ، والتي يتم تمثيلها في منحنى الحمل المقدم. تركيب التوتر لديه قدرة أقل بكثير ، حيث تصبح قوة الترباس الاعتبار الأساسي للقدرة.
يجب تصاعد الأسطح المتصاعدة بدقة للوظيفة المناسبة للمحمل. عندما لا يمكن استيعاب أنماط الترباس القياسية ، اتصل بـ XZWD Engineering للحصول على خيارات بديلة. يجب النظر في التثبيت في التوتر أو الضغط. في التوتر ، تصبح قوة الترباس هو الاعتبار الحمل المحدد ، ولم يعد منحنى التحميل ينطبق ، ويجب تقديم اعتبارات خاصة. انظر إرشادات إضافية أدناه.
بشكل عام ، ستوفر هذه القاعدة من الإبهام سلامة هيكلية كافية.
الشحوم هو زيوت التشحيم الأكثر شيوعًا المستخدمة في محامل الحلقة المنحدرة وتطبيقات التروس. التزييت المنتظم من خلال تجهيزات الشحوم المقدمة أو ثقوب الشحوم مطلوبة للتشغيل المناسب على حلقات الجليد القياسية. لخيارات التشحيم الخاصة ، اتصل بـ Xuzhou Wanda Slewing Bearing.
يمكن تقدير لحظة الاحتكاك لخاتم الجليد باستخدام الصيغة المذكورة أدناه. تفترض القيم الناتجة أن المحمل مثبتة وفقًا للإرشادات الموضحة في هذا الكتالوج. ينطبق هذا التقدير فقط عند تطبيق الحمل على المحمل ، ولا يعكس عزم الدوران في حالة تفريغ. كما لا يتم النظر في عزم الدوران الاحتكاري الناتج عن زيوت التشحيم والأختام ووزن المكونات. ومع ذلك ، فإن هذا يوفر نقطة انطلاق ، ويمكن إجراء تعديلات إضافية في التجميع لاستيعاب عزم الدوران الإضافي.
متي تثبيت المحمل ، من المهم التأكد من أن المحمل مستدير قدر الإمكان. سيؤدي ذلك إلى تحسين توزيع الحمل ويعزز العملية الأكثر سلاسة. ينصح الإجراءات التالية كمساعد.
استخدم غسالات فولاذية مسطحة متصلبة وفقًا لـ ASTM F436 تحت رأس الترباس ، وكذلك الجوز. لا ينصح بقفلات القفل ، ومركبات قفل على الخيط.
قم بتركيب الغسالات والمكسرات والمسامير في بنية تحمل ودعم وشد يدوي. لا تشوه المحمل من أجل تثبيت البراغي. ضع حمولة دفع متوسطة تركز على المحمل. تشديد البراغي على مواصفات مصمم المعدات. يتمثل النهج الشائع في استخدام نمط النجوم لتشديد البراغي ، والتسلسلات كما هو موضح في الرسم البياني أدناه. عادة ما يتم النمط في 3 خطوات في حوالي 30 ٪ و 80 ٪ و 100 ٪ من عزم الدوران النهائي أو مستوى التوتر المحدد من قبل مصمم المعدات.
يمكن أن يؤدي فقدان التوتر الصحيح إلى فشل الترباس المبكر ، وفشل الحمل والبنية ، والتلف للمكونات ، والوفيات أو الإصابة لأي شخص في المنطقة المجاورة. تتطلب البراغي فحصًا متكررًا للتوتر المناسب ، والذي يتم إنجازه بشكل شائع عن طريق قياس عزم الدوران من الترباس.
الصفحة الرئيسية | معلومات عنا | منتجات | أخبار | الوضعية | الدعم | اتصل بنا
