| توافر الحالة: | |
|---|---|
| الكمية: | |
011.45.1600
XZWD
8482800000
تتدحرج الكرات على السباق الدائري في أربع نقاط ، بحيث يمكنها القيام بالقوة المحورية والقوة الشعاعية ولحظة التحول في نفس الوقت. الناقل ، آلة تشغيل اللحام ، الرافعات الصغيرة ، حفارات صغيرة ومتوسطة الحجم وما إلى ذلك.
أربع نقاط الاتصال يعد تطبيق حلقة كرة الكرة في الرافعات دعم الأجزاء على رافعة. إنه متصل بحام طاولة الجليد من بنية معقدة والأحمال. مع طريقة العناصر المحدودة كأداة ، أ تم إعداد نموذج لحساب العناصر المحدودة لأربع نقاط يتجول حلقة رافعة الشاحنة والقوة الهيكلية والصلابة هي أجريت على ذلك.
جودة ودقة التصنيع لدينا هي المفتاح لضمان تشغيل جيد بعد العديد من عمليات تفكيك الرافعة. يمكننا توفير أنواع مختلفة من تطبيق الرافعة. يتم تزويد محامل العدد الكلي لدينا لأحمل السفن لتحميل وعدم تحميل السلع المختلفة. تستخدم على نطاق واسع في الرافعات السفن ، رافعات الميناء ، الرافعات البحرية ، رافعات البوابة إلخ.
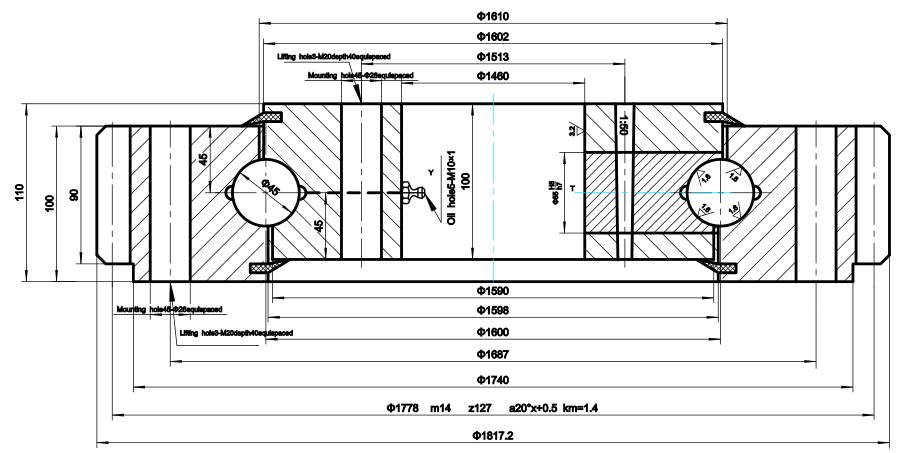
أدناه يرجى العثور على الأبعاد التفصيلية لهذا النموذج:
أي سؤال أو استفسار ، يرجى الاتصال بنا.
تتدحرج الكرات على السباق الدائري في أربع نقاط ، بحيث يمكنها القيام بالقوة المحورية والقوة الشعاعية ولحظة التحول في نفس الوقت. الناقل ، آلة تشغيل اللحام ، الرافعات الصغيرة ، حفارات صغيرة ومتوسطة الحجم وما إلى ذلك.
أربع نقاط الاتصال يعد تطبيق حلقة كرة الكرة في الرافعات دعم الأجزاء على رافعة. إنه متصل بحام طاولة الجليد من بنية معقدة والأحمال. مع طريقة العناصر المحدودة كأداة ، أ تم إعداد نموذج لحساب العناصر المحدودة لأربع نقاط يتجول حلقة رافعة الشاحنة والقوة الهيكلية والصلابة هي أجريت على ذلك.
جودة ودقة التصنيع لدينا هي المفتاح لضمان تشغيل جيد بعد العديد من عمليات تفكيك الرافعة. يمكننا توفير أنواع مختلفة من تطبيق الرافعة. يتم تزويد محامل العدد الكلي لدينا لأحمل السفن لتحميل وعدم تحميل السلع المختلفة. تستخدم على نطاق واسع في الرافعات السفن ، رافعات الميناء ، الرافعات البحرية ، رافعات البوابة إلخ.
أدناه يرجى العثور على الأبعاد التفصيلية لهذا النموذج:
أي سؤال أو استفسار ، يرجى الاتصال بنا.
الصفحة الرئيسية | معلومات عنا | منتجات | أخبار | الوضعية | الدعم | اتصل بنا
