| توافر الحالة: | |
|---|---|
| الكمية: | |
محمل ترس داخلي رفيع
XZWD
8482800000
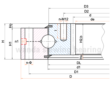
تتألف محامل الجليد من حلقتين ، كل منهما يحتوي على مضمار سباق دقيق يتم تصلبه على السطح إلى عمق محدد. كل حلقة مصنوعة من تزوير الصلب الكربوني المتوسطة. تحتوي محامل Slewing على أجور مضمار تم تصميمها في تكوين ملامسة من أربع نقاط ، مع زوايا ملامسة 45 درجة كمعيار. تتوفر تكوينات Raceway الأخرى ، مثل الأسطوانة المتقاطعة والاتصال من أربع نقاط. غالبًا ما يتم النظر في هذه الخيارات الأخرى في الحالات التي يلزم فيها حمالات عالية جدًا أو متطلبات صلابة خاصة.
تكون المحامل المنحدرة ضرورية عندما يكون في جهاز أو نظام معين ، يحتاج جزء هيكلي إلى التدوير في الاتجاه المعاكس إلى آخر على طول محور ثابت ، مع ضمان الارتباط المحوري والشعاعي بين الجزأين.
محمل الجليد خفيف الوزن له نفس الهيكل مع العادي الحامل المنحدر ، لكن الوزن خفيف ، ويدور بمرونة.
تطبيق محمل الجليد خفيف الوزن:
1.آلية الطعام ،
2.Canning آلية
3. الآلات البيئية وما إلى ذلك
قدرة تحمل وزن الخفيفة الوزن:
كتالوج محمل ذو وزن خفيف الوزن:
| نموذج | الأبعاد (مم) | البعد المتصاعد (مم) | |||||||
| D | دي | H | D1 | D2 | n | Φ | M | t | |
| WD-062.20.0414 | 486 | 326.5 | 56 | 460 | 375 | 24 | 13.5 | 12 | 20 |
| WD-062.20.0544 | 616 | 445.2 | 56 | 590 | 505 | 32 | 13.5 | 12 | 20 |
| WD-062.20.0644 | 716 | 547.2 | 56 | 690 | 605 | 36 | 13.5 | 12 | 20 |
| WD-062.20.0744 | 816 | 649.2 | 56 | 790 | 705 | 40 | 13.5 | 12 | 20 |
| WD-062.20.0844 | 916 | 737.6 | 56 | 890 | 805 | 40 | 13.5 | 12 | 20 |
| WD-062.20.0944 | 1016 | 841.6 | 56 | 990 | 905 | 44 | 13.5 | 12 | 20 |
| WD-062.20.1094 | 1166 | 985.6 | 56 | 1140 | 1055 | 48 | 13.5 | 12 | 20 |
ملحوظة:
1. N1 هو أعداد الثقوب التشحيم. كوب الزيت M8 × 1JB/T7940.1 ~ JB/T7940.
2. يمكن تغيير موقع حلمة الزيت وفقًا لتطبيق المستخدم.
3. "km " هو تقليل الإضافة ؛ M: الوحدة النمطية ؛ Z: الأسنان رقم.
4. للحصول على سعة منحنى التحميل ، يرجى تنزيل كتالوجنا لتحمل الجليد.
إذا كان لديك أي سؤال ، فلا تتردد في الاتصال بنا.
تتألف محامل الجليد من حلقتين ، كل منهما يحتوي على مضمار سباق دقيق يتم تصلبه على السطح إلى عمق محدد. كل حلقة مصنوعة من تزوير الصلب الكربوني المتوسطة. تحتوي محامل Slewing على أجور مضمار تم تصميمها في تكوين ملامسة من أربع نقاط ، مع زوايا ملامسة 45 درجة كمعيار. تتوفر تكوينات Raceway الأخرى ، مثل الأسطوانة المتقاطعة والاتصال من أربع نقاط. غالبًا ما يتم النظر في هذه الخيارات الأخرى في الحالات التي يلزم فيها حمالات عالية جدًا أو متطلبات صلابة خاصة.
تكون المحامل المنحدرة ضرورية عندما يكون في جهاز أو نظام معين ، يحتاج جزء هيكلي إلى التدوير في الاتجاه المعاكس إلى آخر على طول محور ثابت ، مع ضمان الارتباط المحوري والشعاعي بين الجزأين.
محمل الجليد خفيف الوزن له نفس الهيكل مع العادي الحامل المنحدر ، لكن الوزن خفيف ، ويدور بمرونة.
تطبيق محمل الجليد خفيف الوزن:
1.آلية الطعام ،
2.Canning آلية
3. الآلات البيئية وما إلى ذلك
قدرة تحمل وزن الخفيفة الوزن:
كتالوج محمل ذو وزن خفيف الوزن:
| نموذج | الأبعاد (مم) | البعد المتصاعد (مم) | |||||||
| D | دي | H | D1 | D2 | n | Φ | M | t | |
| WD-062.20.0414 | 486 | 326.5 | 56 | 460 | 375 | 24 | 13.5 | 12 | 20 |
| WD-062.20.0544 | 616 | 445.2 | 56 | 590 | 505 | 32 | 13.5 | 12 | 20 |
| WD-062.20.0644 | 716 | 547.2 | 56 | 690 | 605 | 36 | 13.5 | 12 | 20 |
| WD-062.20.0744 | 816 | 649.2 | 56 | 790 | 705 | 40 | 13.5 | 12 | 20 |
| WD-062.20.0844 | 916 | 737.6 | 56 | 890 | 805 | 40 | 13.5 | 12 | 20 |
| WD-062.20.0944 | 1016 | 841.6 | 56 | 990 | 905 | 44 | 13.5 | 12 | 20 |
| WD-062.20.1094 | 1166 | 985.6 | 56 | 1140 | 1055 | 48 | 13.5 | 12 | 20 |
ملحوظة:
1. N1 هو أعداد الثقوب التشحيم. كوب الزيت M8 × 1JB/T7940.1 ~ JB/T7940.
2. يمكن تغيير موقع حلمة الزيت وفقًا لتطبيق المستخدم.
3. "km " هو تقليل الإضافة ؛ M: الوحدة النمطية ؛ Z: الأسنان رقم.
4. للحصول على سعة منحنى التحميل ، يرجى تنزيل كتالوجنا لتحمل الجليد.
إذا كان لديك أي سؤال ، فلا تتردد في الاتصال بنا.
الصفحة الرئيسية | معلومات عنا | منتجات | أخبار | الوضعية | الدعم | اتصل بنا
