تصفح الكمية:3 الكاتب:ميكي الشمس نشر الوقت: 2018-09-05 المنشأ:محرر الموقع
محامل الدوران الكروي أحادية الصف هي محمل تلامس أربع نقاط ، لها صف واحد فقط من الكرات الفولاذية. يمكن أن يتحملوا الحمل المحوري ، والحمل نصف القطر ولحظة إمالة في نفس الوقت. تتكون حلقات الدوران الكروي ذات النقاط الأربع في صف واحد من حلقتين من المقاعد ، والتي تصمم في هيكل مدمج وخفيف الوزن ، وملامسة كروية فولاذية مع مجرى السباق الدائري في أربع نقاط.
يوجد ثلاثة أنواع من هذا النوع من محامل الدوران الكروية التماسية ذات أربع نقاط في صف واحد: بدون محمل ترس (بدون سن) ، ومحمل تروس خارجي (الأسنان الخارجية) ، ومحمل تروس داخلية (السن الداخلية).
حلقة محامل الدوران ذات صف واحد هي النوع الأساسي المستخدم على نطاق واسع في مجال مختلف.
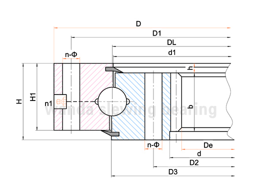
الميزة الهيكلية هي كما يلي الرسم:
2.الداخلية والعتاد صف واحد أربع نقاط كروي
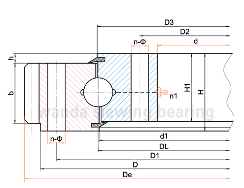
الميزة الهيكلية هي كما يلي الرسم:
2.بدون العتاد صف واحد أربع نقاط واضعا الكرة
الميزة الهيكلية كما يلي الرسم:
إذا كان لديك أي طلب ، فلا تتردد في الاتصال بنا!
الصفحة الرئيسية | معلومات عنا | منتجات | أخبار | الوضعية | الدعم | اتصل بنا
